圓缺孔板
分類:技術文章 發布時間:2011-09-27 13:23:19
圓缺孔板形狀似扇形,它的開孔是一個圓的一部分(圓缺部分),這個圓的直徑是管道直徑的98%,如圖所示。主要用于臟污介質含有固體微粒的液體和氣體的流量測量,圓缺開孔一般位于下方,但對于含氣泡的液體,其開孔位于上方。測量時管道應水平安裝。 圓缺孔板適
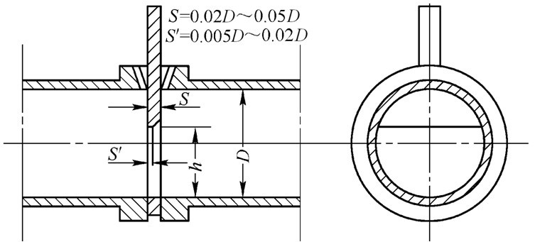
圓缺孔板形狀似扇形,它的開孔是一個圓的一部分(圓缺部分),這個圓的直徑是管道直徑的98%,如圖所示。主要用于臟污介質含有固體微粒的液體和氣體的流量測量,圓缺開孔一般位于下方,但對于含氣泡的液體,其開孔位于上方。測量時管道應水平安裝。

圓缺孔板適用范圍:管徑50mm≤D≤350mm(可達500mm),0.35≤β≤0.75,雷諾數:104≤ReD≤106。取壓方式采用法蘭取壓和縮流取壓。
