低雷諾數情況下的流量測量
分類:技術文章 發布時間:2011-10-01 13:02:10
管道雷諾數(ReD)與管徑、流體粘度、密度和流量大小等有關,某些介質的粘度大、密度小或流量小,則雷諾數低,達不到標準節流裝置要求的界限雷諾數(或最小雷諾數),因而流出系數不穩定,造成較大的測量誤差。 壓力變送器 以下介紹兩種低雷諾數使用的非標準孔板
管道雷諾數(ReD)與管徑、流體粘度、密度和流量大小等有關,某些介質的粘度大、密度小或流量小,則雷諾數低,達不到標準節流裝置要求的界限雷諾數(或最小雷諾數),因而流出系數不穩定,造成較大的測量誤差。壓力變送器
以下介紹兩種低雷諾數使用的非標準孔板:1/4圓孔板與錐形入口孔板。
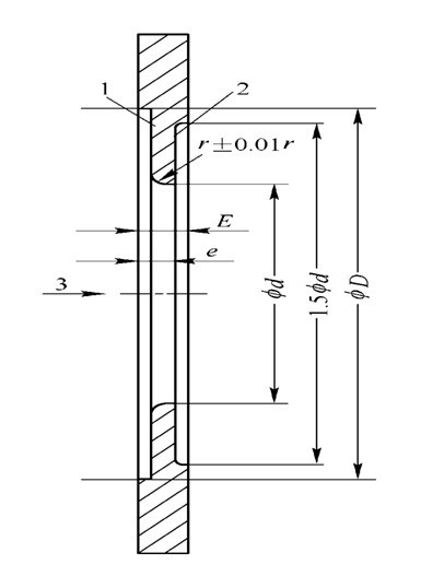
1、1/4圓孔板

1/4圓孔板(又稱1/4圓噴嘴)與標準孔板相似,只是節流孔的入口邊緣形狀不同,上游入口邊緣是以半徑為r的1/4圓,其圓心在下游端面上,如圖所示,這種孔板結構簡單,又具有噴嘴的一些優良性能,如不受磨蝕、腐蝕和孔板表面固體沉積物的影響,適用范圍:管徑D≥25mm,直徑比0.245≤β≤0.6,雷諾數500≤ReD≤6×104,孔徑d≥15mm。電磁流量計
2、錐形入口孔板
錐形入口孔板的形狀與標準孔板相似,相當于一塊進出口反裝的標準孔板,其入口與中心線夾角為45±1o,如圖所示。它要求的雷諾數下限比1/4圓孔板還要小,適用范圍:管徑D≥25mm,直徑比0.1≤β≤0.316,孔徑d≥6mm。渦輪流量計